A-A-52424B
5. PRODUCT CONFORMANCE PROVISIONS
5.1 Responsibility for inspection. The contractor is responsible for the performance of all inspections (examinations and tests).

|
PIN No. |
Former MS Part No. |
|
A 52424-1 |
MS35840-1 |
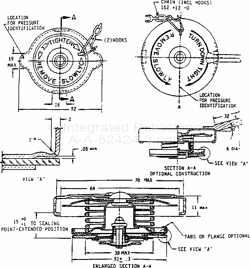
NOTE: Dimensions are in millimeters. Tolerance ±.25
FIGURE 1. Radiator cap - type 1.
For Parts Inquires call Parts Hangar, Inc (727) 493-0744
© Copyright 2015 Integrated Publishing, Inc.
A Service Disabled Veteran Owned Small Business